BTSTC-AT1017
BTSTC-AT1017 can complete the reception, amplification, down-conversion, filtering and anti-interference processing of 7 channels of BDS-B1, GPS-L1,GAL-E1,GLONASS-L1 frequency point signals. It can realize high-precision positioning and precise timing under strong jamming conditions.
Share to:
Category:
Keywords:
BTSTC-AT1017
Details
Overview
BTSTC-AT1017 can complete the reception, amplification, down-conversion, filtering and anti-interference processing of 7 channels of BDS-B1, GPS-L1,GAL-E1,GLONASS-L1 frequency point signals. It can realize high-precision positioning and precise timing under strong jamming conditions.
Technical Specification
| Receive the signal | BDS-B1,GPS- L1,GLO-E1,GLO-L1 | Power supply (V) | DC12-32V |
| Number of channels | 7-channel B1L1E1G1 | Power Consumption (W) | ≤22 |
| Anti-jamming capability | Single broadband: ≥ 110dB Three broadband: ≥ 100dB Six booadband: ≥ 85dB |
Weight (kg) | ≤1kg |
| Positioning accuracy (1 σ) | Level≤10m,Height≤10m | Speed measurement accuracy (1 σ) | ≤0.2 m/s |
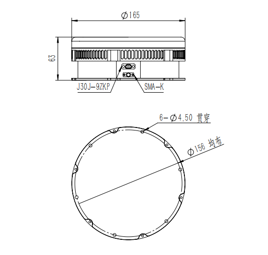
| Physical interface | J30J-9ZKP, SMA-K | Dimension (mm) | 165×156×63 |
| Communication interface | RS232 | Data format | NMEA-0183 |
| Operating temperature (℃) | -40~70 | Storage temperature (℃) | -50~75 |
Interface and Dimension
1. Power Data Interface
The power data interface is J30J-9ZKP connector, and the signal definition is as below,
| Connector number | Signal definition | Signal description | Explain |
| 1 | +12-32V | Power supply input | Power supply |
| 2 | +12-32V | Power supply input | |
| 3 | GND | Power ground | |
| 4 | GND | Power ground | |
| 5 | GND | Signal ground | Data interface |
| 6 | RX | Rs232 reception | |
| 7 | Pulse per second signal | 1 pps + | |
| 8 | TX | RS232 send | |
| 9 | Ant switch | Ant switch |
2. Structural Dimensions(mm)
165mm ×156mm × 63mm

Prev
Next
Inquiry
Please leave your E-mail and our professionals will contact you as soon as possible!